A3: Input Output!

Geon Soo Park

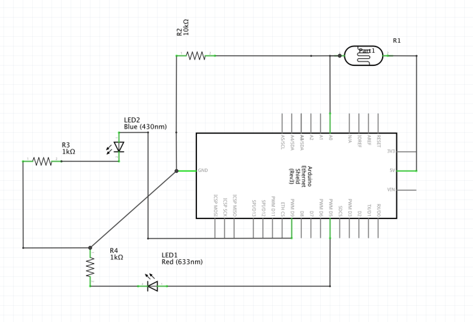
Schematic

I chose the value of 1k ohms for the red LED resistor. Because the volt from Pin 5 is 5V and the red LED has 1.8 V drop.
By using the Ohm's Law V = I * R: R = 3.2/0.02 which is 160 ohms, I found out that 1k would be a safe resistor for the red LED. I also chose 1k resistor for the blue LED. The voltage drop for blue LED is 3.3 V and by using the Ohm's Law which is 1.7/0.02 = 85 ohms; 1k resistor would be enough for the blue LED (if the ohms is higher than resistor then it will over burden the LED. If the resistor is too high then the flow of electricity is too low). For the photoresistor, I used 10k resistor. The maximum current allowed to go into the ground pin is 200mA and I chose 5V for the power. R = V/I = 5v/0.02A = 250a. We need a resistor bigger than 250a. Furthermore, we need to use a resistor divider to allow the high impedence Anlog input to measure the voltage. We need to use the formula: Vout=Vin*(R2/(R1+R2)) to find the value for Vout. Vin is the 5V, R2 is 10k ohm, and R1 is the photoresistor (10k ohm).

Circuit

The photoresistor is connected to the 5V and connected to the ground pin through a resistor. It is also connected to pin A0 which
functions as a trigger the input for the photoresistor.
The blue LED is connected to pin 9 (because it requires analog format) through a resistor and connected to the ground pin. Lastly, the red LED is connected to Pin 5 through a resistor and then it connected to the ground pin

Firmware

Three integels are initiated (two for LEDs (#5 and #9) and one for the photoresistor (A0)). There are two outputs
from the Arduino board pin modes (#5 and 9) and one input for the button (A0).
If the photoresistor is less or equal to 300, it turns off the red LED and turns the blue LED on. It also pirnts "Blue on / Red Off."
If the photoresistor is bigger than 300, it turns the red LED on and turns off the blue LED. It also pirnts "Blue off / Red on."

Operation

When the photoresistor value is equal or below 300 (dark) then it turns the blue LED on and prints "Blue on / Red Off."
If the value is bigger than 300 (bright) then turns the red LED on and prints "Blue off / Red on"

Thank you and have a nice day!